(1)入力電圧
各仕様を保証できる入力電圧の公称値または範囲を表します。AC入力の場合、値は実行電圧として示されますが、DC入力の場合、その変動値も含まれます。 したがって、DC入力にリップル成分が含まれる場合は、最小電圧と最大電圧の両方を考慮する必要があります。
交流入力と直流入力の両方が出来るタイプは整流回路を内蔵していますので、直流入力の時も極性はありません。
交流入力電流のほとんどは単相用ですが、大電力の場合3相入力タイプも用意しております。
(2)入力電流
電源に流れ込む電流を実効値で表します。
アクティブフィルタ方式とコンデンサインプット方式で波形は異なります。アクティブフィルタ方式では、入力電流は、入力電圧と同じ正弦波に近い波形になります。
一方、コンデンサインプット方式の場合は、右図のように正弦波のピーク付近でのみ電流が流れる波形となります。
(3)入力電力(入力容量)
電源の回路方式により入力電流波形は少なからず歪んでいます。
そのため、入力電圧(実効値)と入力電流(実効値)の積である皮相電力と入力電圧と入力電流の積の積分値である有効電力とがあります。皮相電力は電源に流れ込む電力で、有効電力は電源で消費される電力となり、その差の電力は商用電源側に帰って行く電力となります。
(4)効率
出力電力と入力有効電力の比で表します。
仕様値は定格出力電力の時で表示されており、出力電流が小さくなると、効率が悪くなります。
<計算例>
出力電圧5V、出力電流20A、入力有効電力125Wの場合
- ※出力電圧の測定…直流電圧計などで測定
出力電流の測定…直流電流計などで測定
入力有効電力の測定…電力計などで測定
(5)力率
一般に力率は電圧と電流の位相差で表しますが、電源の場合、入力電圧と電流には位相差はありませんので、皮相電力と有効電力の比で表します。
(6)突入電流
突入電流とは、スイッチング電源の入力電圧を印加した時に、通常の運転電流よりも瞬間的に大きな電流が流れるピークの値を示します。
スイッチング電源の入力部には、大容量の平滑コンデンサが配置されており、この、コンデンサを一気に充電しようとして、大きな電流が流れます。
スイッチング電源には、突入電流を小さくするための突入電流防止回路を設けて電流を抑制しています。
a. 抵抗制限方式
入力ラインに抵抗を挿入する方法と、ラインフィルターのコイルに含まれる抵抗成分を利用する方法があります。
これらの方式は常時電力損失が発生するため、主に小電力向けの電源に用いられます。
b. サーミスタ方式
入力ラインにサーミスタを挿入して突入電流を抑制する方法です。
サーミスタは、電源投入直後は高い抵抗値で突入電流を制限し、通電によって温度が上昇すると抵抗値が下がる特性を利用しています。
これにより、通常運転時の損失を小さく抑えることができます。
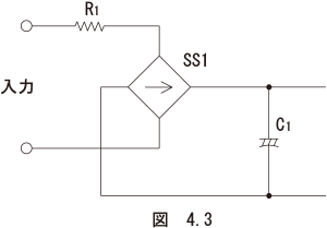
c. SCR方式
SCRと抵抗を並列に用いた回路です。
入力電圧が印加されると、突入電流はまず R1 によって制限されます。
その後、入力コンデンサがおおよそ充電されると SCR素子が動作して R1 を短絡し、通常動作時の損失を低減します。
突入電流は、初回の入力電圧印加時と SCR素子が動作する瞬間の、2 回発生することになります。
DC-DC コンバータの場合、入力側に大容量のコンデンサを使用していないため、ほとんどの製品には突入電流防止回路が搭載されていません。
そのため、急峻な立ち上がりの電圧を印加したり、機械式スイッチで ON/OFF を行う場合には、短時間ではありますが突入電流が流れることがありますのでご注意ください。
(7)漏洩電流
この電流は、感電を防止し使用者の安全を確保するため、各国の安全規格によって規定されています。
入力ラインから一次側部品、トランスの一次‐二次間の浮遊容量、ノイズフィルターの接地コンデンサなどを介して大地へ流れる電流を指します。
測定は、以下に示す方法で行います。
電気用品安全法では周波数によって電流値が規定されています。
漏洩電流の低減
漏洩電流は、内蔵ノイズフィルターに使用されている接地コンデンサの容量によって大きく影響を受けます。
そのため、当社ではこのコンデンサを小容量に変更、または取り外したマイナーチェンジ製品をご用意しています。
なお、コンデンサを変更した場合は、外部に別途ノイズフィルターを追加する必要があります。
(8)定格出力電圧
出力端子間に現れる直流電圧の公称値を指します。
ねじ端子の場合は端子部での電圧を、コネクタ端子の場合は規定された距離(5~15 cm)に測定ポイントを設け、その位置での電圧を用います。
その他の特性についても、同様にその測定ポイントで評価します。
(9)定格出力電流
電源から負荷に連続して供給できる電流を言います。
使用周囲温度や冷却方法によって変わる場合がありますので、ディレーティング特性を参照してお使いください。
(10)ピーク出力電流
電源が負荷に対して、短時間だけ供給できる電流を指します。
モータのように、起動時にピーク電流が流れる負荷に最適です。
(11)最低出力電流(最小負荷)
電源から負荷に流せる最低の電流を言います。
この値以下の出力電流領域では出力電圧が低下するなど、仕様値を満足しません。
また、この値を規定していない電源は0アンペアから使用可能です。
(12)静的入力変動
入力電圧を仕様範囲内でゆっくり変化させた時の出力電圧の変動の最大値を言います。
(13)静的負荷変動
出力電流を仕様範囲内でゆっくり変化させた時の出力電圧の変動の最大値を言います。
(14)動的入力変動
入力電圧を仕様範囲内で急激に変化させた時の出力電圧の変動を+-で表します。
スイッチング電源の場合、入力平滑回路に大きなコンデンサを使っているため、小さな値です。
(15)動的負荷変動
出力電流を仕様範囲内で急激に変化させた時の出力電圧の変動を+-で表します。
負荷の種類や配線のインダクタンス、スイッチの種類で電流の変化速度が違い、測定値が一定しないため、一般的には仕様に規定しておりません。
(16)リップル
出力電圧に重畳される入力周波数及びスイッチング周波数と同期した成分で、Peak-Peakで表します。
入力周波数に同期した成分は電源内部の入力平滑コンデンサの容量と、誤差AMPの応答速度、出力電流で決まります。
スイッチング周波数に同期した成分はスイッチング周波数と、出力フィルター、出力電流で決まります。
スイッチング電源の出力にコンデンサを追加した場合、スイッチング周波数に同期した成分は小さくなりますが、入力周波数に同期した成分は変化しません。
(17)リップルノイズ
リップルノイズとは、出力電圧に重畳するノイズ成分のことで、Peak-to-Peak 値で表します。
スイッチング電源では多くの場合、矩形波インバータを使用しているため、スイッチングトランジスタや出力整流ダイオードから発生するノイズが出力に重畳されます。
右図に、リップルとリップルノイズの関係を示します。
(18)周囲温度変動
仕様周囲温度範囲内での出力電圧の変動をいいます。
定格入出力条件で測定します。
(19)経時ドリフト
入力を印加後指定時から指定時までの出力電圧の変動をいいます。
定格入出力条件で測定します。
(20)起動時間
入力を印加後出力電圧が90%に立上がるまでの時間をいいます。
遅延時間と立上がり時間との和です。
(21)出力保持時間
入力電圧を遮断した後、出力電圧が定電圧精度範囲または規定の電圧範囲内を保持している時間を指します。
この保持時間が確保されていることで、瞬時停電が発生しても安定した出力電圧を供給することができます。
また、停電時にはこの保持時間を利用して、メモリーの退避処理や機械系の誤動作防止に活用されます。
保持時間は以下の要素によって決まります。
- a.入力電圧
- b.入力平滑コンデンサの容量
- c.最低レギュレーション電圧
- d.効率
- e.出力電流
出力保持時間は出力電流と相関関係にあります。各製品のデータシートを参照ください。より長い保持時間を確保したい場合は、実際の負荷電流よりも大きな定格出力電力を持つモデルを選定していただく必要があります。
なお、出力側にコンデンサを追加しても保持時間は延長されません。
一部機種では、電源内部の入力平滑コンデンサ容量を増加させるマイナーチェンジが可能なほか、オプションとして出力保持時間延長ユニットをご用意しています。
詳細につきましては、当社までお問い合わせください。
(22)出力電圧可変範囲
外部から出力電圧を可変できる範囲を指します。
出力電圧調整ボリュームを過度に回すと、過電圧保護回路が動作する場合がありますのでご注意ください。
また、出力電圧を上げる場合は、最大出力電力の範囲内となるよう出力電流を規定値まで下げてご使用ください。
(23)出力電圧設定確度
工場出荷時の出力電圧設定値をいいます。
定格入出力条件で測定します。
(24)過電流保護(O.C.P)
電源または負荷を保護するために、出力電流が規定値以上にならないようにする機能を指します。
この保護機能は短絡電流の制限も兼ねています。
過電流状態が解消されれば、出力電圧は元の状態に自動的に復帰します。
過電流状態のまま運転を継続すると、電源の破損や寿命の低下につながるため、絶対に避けてください。
右図に、過電流保護方式について説明します。
間欠過電流動作
過負荷により出力電圧が間欠動作開始電圧まで低下すると、出力は ON/OFF を繰り返す間欠動作に移行します。
なお、短絡または過電流状態を解除すれば、出力は自動的に復帰します。
(25)過電圧保護(O.V.P)
過電圧保護は、電源内部の部品故障などにより出力電圧が異常に上昇した際、負荷に過電圧がかからないよう、出力電圧を規定値以上にしないための保護機能です。
このため、受入検査での強制的な過電圧動作確認や、負荷側回路の動作によって外部から電源出力端子へ規定出力電圧を超える電圧を印加する使用方法には対応していません。
このような電圧が電源に加わると、過電圧保護回路以外の内部回路にもストレスが加わり、内部素子が破損する恐れがありますので、絶対に避けてください。
過電圧保護回路が動作した場合、電源は遮断された状態のままになります。
復帰させるには、入力を一旦遮断し、数分間待ってから再投入してください。
なお、出力をツェナーダイオードでクランプする方式の過電圧保護回路を採用している機種では、保護回路が動作した場合、電源は再起動できませんのでご注意ください。
(26)リモートセンシング
電源と負荷の距離が長く、配線による電圧降下が無視できない場合に使用する機能です。
リモートセンシングでは、センシング線を接続した負荷側のポイントの電圧を、設定値に保つことができます。
ただし、リモートセンシングを使用する際には、誤動作や断線によるトラブルを防ぐため、さまざまな注意点があります。
詳細は「使用上の注意」をご確認ください。
(27)リモートコントロール
外部信号によって電源の出力を ON/OFF するための機能です。
リレー接点、トランジスタ、IC などで駆動することができます。
複数の電源を使用する場合に、それぞれの電源の立ち上がりや立ち下がりに時間差を設けたいときにも利用されます。
なお、外部信号が “LOW で ON/HIGH で OFF” のタイプと、その逆のタイプがありますので、使用前に必ず仕様をご確認ください。
(28)絶縁抵抗・耐電圧
| 絶縁抵抗 | 指定された端子間に規定の直流電圧を印加した場合の抵抗値をいいます。 |
|---|---|
| 耐電圧 | 指定された端子間に規定の交流電圧を印加しスパーク放電しないか、電源が破壊しない電圧のことをいいます。 |
- ① 電圧の印加方法
耐電圧試験を行う際は、サージ電圧が発生しないよう以下の方法で電圧を印加してください。
・印加電圧を 0V から徐々に上げるまたは、ゼロクロススイッチを使用して電圧を印加する。
・電圧遮断時も同様に、徐々に電圧を下げるまたは、ゼロクロススイッチを使用するようにしてください。 - ② 印加電圧の注意点
耐圧試験器の種類によっては印加電圧の波形が歪み、意図しない高電圧が発生する可能性があります。
そのため、耐電圧試験を実施する際は 印加電圧の波形を必ず確認してください。 - ③ 残留電圧について
絶縁抵抗試験の後、接地コンデンサに電圧が残留している場合があります。
試験後は、必ず抵抗を介して放電してから作業を進めてください。
(29)使用周囲温度
電源の仕様が保証される運転時の周囲温度を示します。
詳細なディレーティング条件については、各機種の取扱説明書をご確認ください。
内部に強制空冷用ファンを搭載している機種の場合は、流入空気の温度を周囲温度とみなします。
周囲温度は、電源の側面から 5〜10 cm 離れた位置の空気温度を測定しています。
測定ポイントは、電源自身の発熱による輻射や、暖められた空気の対流の影響を受けない場所である必要があります。そのため、右図の位置で測定することを推奨しています。
(30)使用周囲湿度
電源の仕様を保証できる、運転時の周囲湿度をいいます。
(31)保存周囲温度
非動作状態で性能に劣化を生じさせずに保存できる周囲温度をいいます。
電解コンデンサの劣化が進行しますので、高温での長期保存は避けてください。
(32)保存周囲湿度
非動作状態で性能に劣化を生じさせずに保存できる周囲湿度をいいます。
高湿での保存は錆などの原因になりますので、避けてください。
(33)耐振動
規定の試験条件で電源が損傷しない、振動の加速度をいいます。
試験条件には振動周波数範囲、周期、加振方向、時間があります。
加速度を一定にする定加速度振動試験と振幅を一定にする定振幅振動試験があります。
(34)耐衝撃
規定の試験条件で電源が損傷しない、衝撃の加速度をいいます。
加速度とその加速度が加わる時間で表します。
(35)雑音端子電圧(帰還ノイズ)
雑音端子電圧とは、電源の入力端子に現れるノイズ成分の電圧のことです。
電源が動作すると、内部のスイッチング素子や整流回路、さらには外部からの電磁ノイズの影響によって、端子間に高周波の微小なノイズ電圧が発生します。
電源ラインを通じて他の装置にノイズが伝わったり、配線がアンテナのように作用して空中にノイズが放射され、電波妨害を引き起こすことがあります。
これらの妨害を防止するため、各国ではノイズに関する規格が定められています。
(36)雑音電界強度(輻射ノイズ)
電源自体、または入力ライン・出力ラインから電波となって空中に放射されるノイズ(電磁波)の強さを示す量です。
(37)入力雑音耐量
入力雑音耐量とは、電源が外部から入力されるノイズ(雑音)に対して、正常に動作を維持できる許容レベルのことです。
(38)耐雷サージ電圧
通電状態で入力側に疑似雷サージ電圧を印加した際、電源が損傷することなく耐えられる電圧値を指します。
ただし、この特性は電源単体だけでなく、接続方法や入力側に配置される部品構成によっても大きく変わります。
そのため、雷サージ対策はシステム全体として個別に検討する必要があります。
以上の理由から、標準電源ではこの耐量の仕様を規定しておりません。







