1. Overview of an open frame type power supply
As shown in Figure 1, an open-frame (board-only) power supply achieves lower cost by eliminating components such as the chassis and cover.
2. How to install an open frame type power supply
Attach the power supply to your housing using SEMS screws and spacers through the mounting holes.
The sizes of flat washers used in SEMS screws differ between the old JIS standard and the ISO standard (new JIS standard: JIS B 1256:2008). In addition, each standard includes multiple types—such as large, regular, and small. Since the ISO standard (new JIS standard) is becoming mainstream and market demand for smaller products is increasing, we plan to adopt smaller flat washers (outer diameter 6 mm) compliant with the ISO standard. For this reason, we recommend using ISO-standard small SEMS screws.
Additionally, please use metal spacers with an outer diameter of 6 mm or less.
Please ensure that the spacer length is at least equal to the insulation distance d1 specified in the “Mounting and Installation Method” section of each catalog.
If it is unavoidable to set the spacer length to d1 or less, please ensure basic insulation between the customer’s housing and the power supply by using insulating paper or an equivalent insulating material.
Even in this case, select a spacer long enough to maintain the “surface-mount component mounting height” shown in the outline drawing, and take appropriate measures to prevent the components from contacting the customer’s housing due to vibration or other factors.
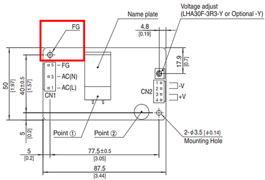
Please note that the mounting holes marked “FG” in the outline drawing have a conductive pattern on the backside.
We recommend using metal spacers for these mounting holes.
If a resin spacer is used, or if the customer’s housing is made of resin, EMI noise tends to increase and the power supply alone may not meet its noise terminal-voltage specifications.
In such cases, additional noise-suppression components—such as a noise filter or ferrite core-may be required.





