DPAシリーズ

高力率 0.98(IEC61000-3-2適合)
高効率 90%(AC100V), 95%(AC200V)
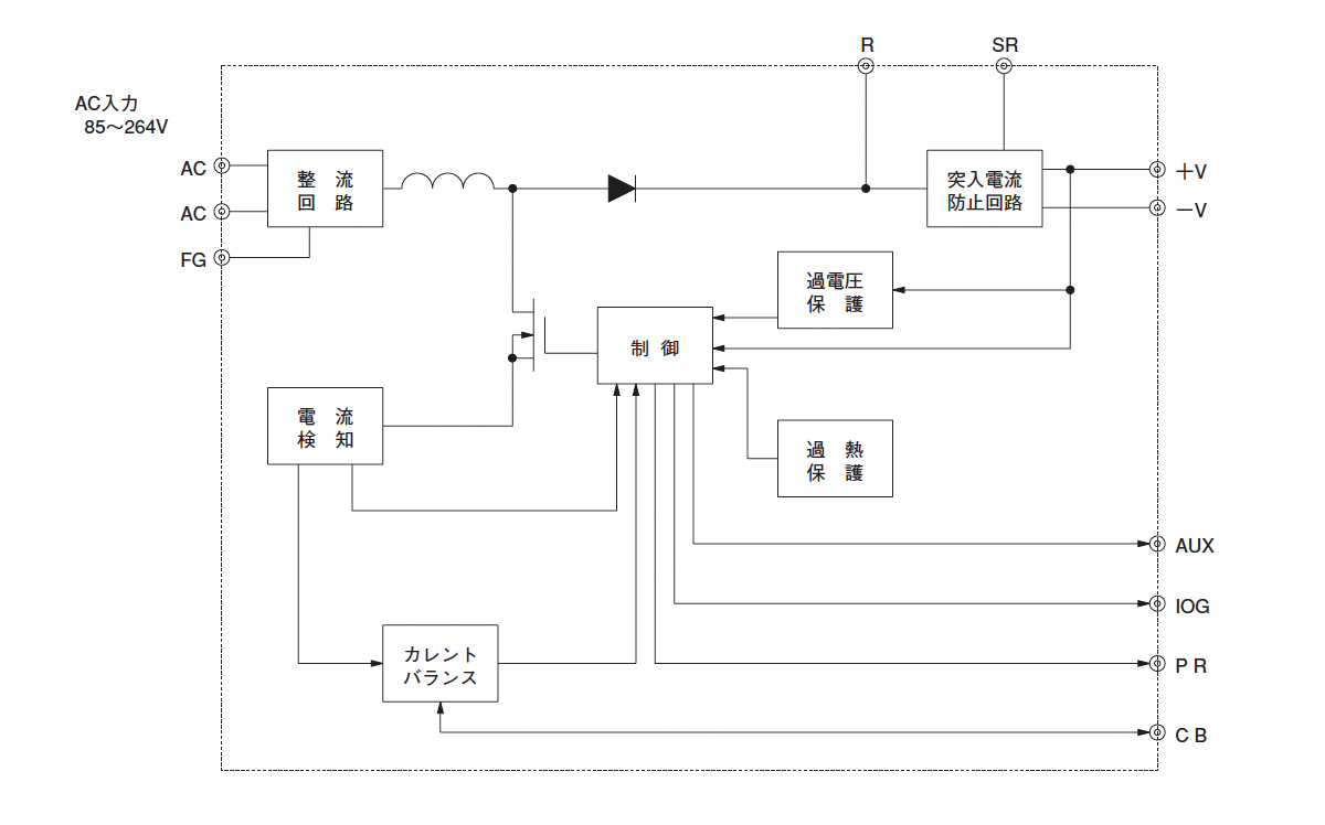
入力電圧範囲 AC85 ~ 264V(連続入力可能)
安全規格対応設計(UL, CSA, TÜV)
突入電流防止回路内蔵(外付け抵抗不要)
並列運転可能(電流バランス機能内蔵)
保護機能(過電圧、過熱保護)内蔵
インバータ動作モニタ信号(IOG)出力
パワーレディ信号(PR)出力
外付け信号用補助電源(AUX)出力
無償補償期間3年
ヒートシンク
| 種類 | 型番 | 説明 | DXF |
|---|
DA(1) A(2) 500(3) F(4) - 360(5)
(1)シリーズ名※詳細仕様、ご使用方法は、カタログ・取扱説明をご参照ください