FETAシリーズ

定格入力:AC170 ~ 264V 1Φ
定格出力電力:3000W
出力電圧:250V
高電力密度(2.11W / cm3)を実現したフロントエンド電源
高効率(250V 出力:93.0% : lo=50%時)
出力電圧範囲 DC180 ~ 350V
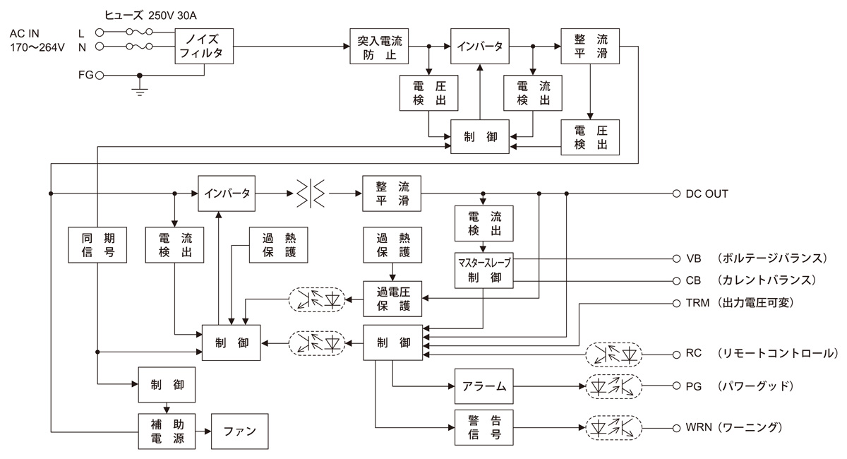
高速応答
高調波電流規制対応(IEC61000-3-2 クラスA準拠)
半導体製造装置規格対応(SEMI F47)
無償補償期間3年(条件付:取扱説明書参照)
1Uサイズの高出力電圧電源。
FETA2500/7000は約0Vまで出力電圧を可変可能で、高周波アンプやIH装置、サーボアンプ駆動などの仕様に応じた安定電圧を供給します。
さらにFETA3000BCでは、出力電圧の可変応答性を高速化し、装置の性能向上に貢献します。

単相250V 20A 汎用
150kHz-1MHz高減衰 1段フィルタ
FET(1) A(2) 3000(3) B(4) C(5) - □□(6) - □(7)
(1)シリーズ名
(2)単一出力
(3)定格出力電力
(4)200系入力
(5)バージョン
(6)定格出力電圧
(7)オプション
R: リモートコントロール
ロジック反転仕様