GMAシリーズ

定格入力 : AC85 ~ 264V 1Φ
定格出力電力 : 300W
出力電圧 : 12V, 24V, 48V, 56V
医用電気機器規格に対応
BF対応 (出力-FG間:1MOPP, 入力-出力間:2MOPP)
グローバル標準外形 (2×4インチ)
無償補償期間5年 (取扱説明参照)
世界標準インチサイズの高電力密度電源。
2×4インチのコンパクトサイズで、省スペースが求められる装置に最適。
医療機器などの静音設計を要求される装置や、耐環境性能を求められる計測機器等に適しています。

単相250V 6A 汎用
小型 150kHz-1MHz減衰 1段フィルタ
GM(1) A(2) 300(3) F(4) - □□(5) - □(6)
(1) シリーズ名
(2) シングル出力
(3) 定格出力電力
(4) フルレンジ入力
(5) 定格出力電圧
(6) オプション
C : コーティング 仕様
J1 : 入力コネクタ変更 仕様
VHコネクタ(J.S.T.)
J3 : 水平入力コネクタ変更 仕様
VHコネクタ(J.S.T.)
R3 : 付属機能追加 仕様
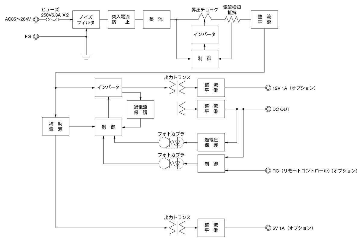
AUX出力 (12V1A, 5V1A), リモートコントロール機能
PHコネクタ(J.S.T.)
詳細は取扱説明(4 オプション・その他)の項目をご参照ください。
※詳細仕様、ご使用方法は、カタログ・取扱説明をご参照ください