商品のご購入 お問い合わせ

Products Information

製品情報

MMCシリーズ

MMC75B

  • 生産中止 (2017年3月31日)
  • UL60950-1
  • C-UL
  • 電安法準拠
  • RoHS
    UL・C-UL
定格入力:AC85 ~ 132V 1Φ
定格出力電力:75W
出力電圧:+5V/+12V/-12V、+5V/+15V/-15V、+5V/+12V/-5V

小型、軽量、低価格
突入電流防止回路、過電流保護回路付
過電圧保護回路付(MMC8Aは除く)
V1とV2、V3は絶縁
V1、V2、V3とも出力電圧安定化

無償補償期間2年

技術的特徴

電源置き換え金具、ハーネス

種類 型番 説明 PDF DXF
取扱説明
別売りオプションパーツ

※掲載していない資料もあります。詳しくはお問い合せください。

CADデータ ダウンロード

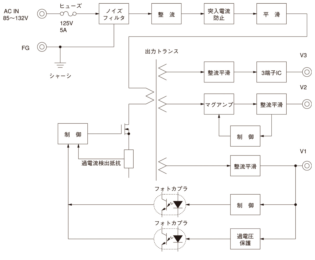
ブロックダイヤグラム

/tool/tag/fig/blo_mmc75b.jpg

MMC(1) 75B(2) - 1(3) - (4) 


(1)シリーズ名
(2)定格出力電力
(3)出力電圧の種類
(4)オプション
C:コーティング
G:低漏洩電流
J:コネクタタイプ
N:ケースカバー付

MMC75B仕様(概要)

機種 MMC75B-1 MMC75B-2 MMC75B-3 MMC75B-4
入力電圧 AC85 ~ 132V 1Φ or DC110 ~ 170V AC85 ~ 132V 1Φ or DC110 ~ 170V AC85 ~ 132V 1Φ or DC110 ~ 170V AC85 ~ 132V 1Φ or DC110 ~ 170V
出力 電力 76W 74.5W 72.5W 74.4W
電圧・電流 V1:+5V 8.0A
V2:+12V 2.5A
V3:-12V 0.5A
V1:+5V 8.0A
V2:+15V 1.8A
V3:-15V 0.5A
V1:+5V 8.0A
V2:+12V 2.5A
V3:-5V 0.5A
V1:+5V 6.0A
V2:+12V 3.2A
V3:-12V 0.5A
電圧可変範囲 5.00 ~ 5.25V内部固定内部固定 5.00 ~ 5.25V内部固定内部固定 5.00 ~ 5.25V内部固定内部固定 5.00 ~ 5.25V内部固定内部固定
適応規格 安全規格 UL60950-1, C-UL, 電安法準拠
構造 外形寸法(W×H×D) 42×93×175mm (端子台およびねじ含まず)
冷却方法 自然空冷
テクニカルデータ 特性データ
推定寿命データ
EMCデータ - - - -
信頼性
MTBF

※詳細仕様、ご使用方法は、カタログ・取扱説明をご参照ください