お問い合わせ

Inquiries about products

製品に関するお問い合わせ

よくある質問

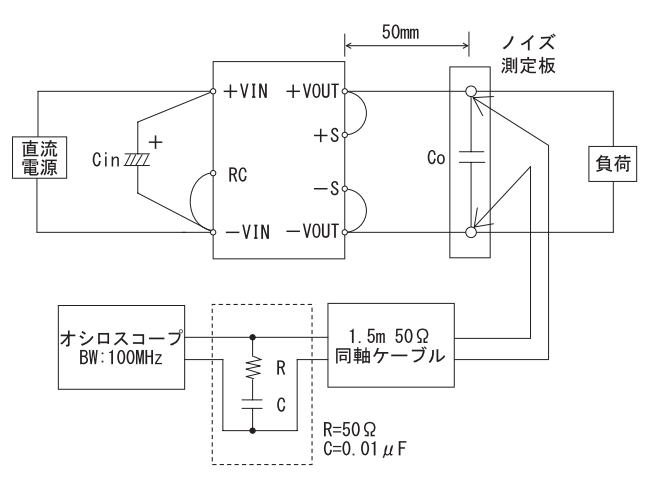
DC-DC電源の出力リップルノイズの測定方法を教えてください。

DC-DC電源の場合、出力側外付セラミックコンデンサを、電源出力端から 50mm 離した箇所に取り付けて測定しています。 製品によっては測定条件が異なる場合がありますので、詳細は各製品のカタログ・取扱説明書などをご確認ください。

DC-DCリップル測定
DC-DCリップル測定

調べたいキーワードを単語で入力してください