
Rated Input: 85 - 264VAC 1Φ
Rated Output Wattage: 1200W
Slots: 6
Rated Output Voltage:3.3V, 5V, 7.5V, 12V, 15V, 24V, 36V, 48V, 65V, 75V, 100V, 24V/24V
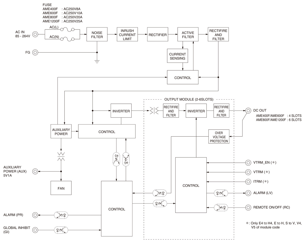
• Flexible modular system architecture provides various output configuration
• Low profile(41mm, 1.61inch=meet to 1U height)
• Universal input (85-264VAC)
• For medical electronical equipment
(ANSI/AAMI ES60601-1, EN60601-1 3rd, IEC60601-1-2 4th Ed.)
• Medical Isolation Grade 2MOPP
• With AUX output 5V 1A
• Global Inhibit, Remote ON/OFF control, alarm
• Output connector is available (Option: -J2)
• Monitoring function and some parameter changes by communication are available(Option: -I3, -I).
Free warranty period 5-year (Refer to Instruction Manuals)
Configurable power supply allowing flexible combination of multiple output modules.
Its low-profile design (41 mm height) fits into a 1U rack, enabling space-saving installations.
Compliant with medical standards, making it suitable for medical devices such as imaging systems.
With communication capabilities, it supports automated output voltage monitoring and flexible sequencing adjustments for each module, providing enhanced control and flexibility.
<p>Harness</p>
| Type | Model number | Description | DXF | |
|---|---|---|---|---|
| Terminal Attachment | ||||
| B-ACE-7 | Terminal attachment to facilitate faston terminal output modules. | PDF download | - | |
| B-AME-8S | Terminal attachment to facilitate wiring (+V). | PDF download | - | |
| B-AME-8L | Terminal attachment to facilitate wiring (-V). | PDF download | - | |
| B-AME-9 | Terminal attachment for series operation as output modules. | PDF download | - | |
| Harness | ||||
| H-OU-42 | Output harness for connector type. (-J2 option) (for output module A-D and K-M) |
PDF download | - | |
| H-OU-43 | Output harness for connector type. (-J2 option) (for output module E4-H4, E-H and J) . |
PDF download | - | |
| H-OU-52 | Output harness for connector type. (-J2 option) (for output module R) . |
PDF download | - | |
| H-SN-51 | Harness for address setting of Extended UART. | PDF download | - | |
| H-SN-58 | Harness for functions (AUX,GI,PR,etc) in CN1. | PDF download | - | |
| H-SN-59 | Harness for functions in CN3. (for Output module A-D and J-M) |
PDF download | - | |
| H-SN-60 | Harness for functions in CN3. (for Output module E4-H4 and E-H) |
PDF download | - | |
| H-SN-61 | Molex housing version of H-SN-58. (for -J3 option of output module A, B, C and D) |
PDF download | - | |
| H-SN-62 | Molex housing version of H-SN-59. (for -J3 option of output module A-D and J-M) |
PDF download | - | |
| H-SN-63 | Molex housing version of H-SN-60. (for -J3 option of output module E4-H4 and E-H) |
PDF download | - | |
| H-SN-65 | Molex housing version of H-SN-51. | PDF download | - | |
| H-SN-66 | Harness for using PMBus communication . (-I option) | PDF download | - | |
| H-SN-67 | Molex housing version of H-SN-66. | PDF download | - | |
| H-SN-68 | Harness for functions in CN3. (for Output module R) |
PDF download | - | |
| H-SN-69 | Molex housing version of H-SN-68. (for -J3 option of output module R) |
PDF download | - | |
| Communication converter | ||||
| CR-PC-1 | This is a unit to convert Extended UART signal to RS232 signal mutually. | PDF download | - | |
| CR-PC-2 | This is a unit to convert Extended UART signal to RS485(Modbus-RTU) signal mutually.
|
PDF download | - |
*Some documents may not be listed. Please contact us for more details.
| CAD data | DXF |
Standard model
|
|---|---|---|
| 3D CAD data | STEP |
Standard model
|
| IGES |
Standard model
|

Single phase 250VAC 20A
General purpose
High-attenuation type from 150kHz to 1MHz
1-stage filter
The AME series has Order Name which is used for the ordering aside from Model Name.
Please refer to Configuration-Model Name Construction in Instruction manual for Order Name.
Order Name is required to create by the above menu.
■Model Name
AM(1) □(2) - □(3) □(4) □(5) □(6) □(7) □(8) - □□(9)□□(10 - □(11)
(1) Abbreviation for series name of AME series
(2) Abbreviation for output power of AME series
12: AME1200F(AM12)
(3) Slot 6 Output module
(4) Slot 5 Output module
(5) Slot 4 Output module
(6) Slot 3 Output module
(7) Slot 2 Output module
(8) Slot 1 Output module
(9) Parallel code
(10)Series code
(11) Option
A: 12V/0.1A AUX instead of 5V1A
R: Reversed logic remote on/off
J2: Output connector type
J3: CN1/CN2/CN3 Molex connectors
C: with Coating
F3: Revers air exhaust type
G: Low leakage current
I3: with Extented-UART interface
I: with PMBus interface
Refer to instruction manual 6.1
*The number of slot is different depending on the model.
*The code for empty slot is "O"
3D product images are available.
Read Me First
Standard model J2J3: Connector type (Molex)
*For detailed specifications and usage guidelines, please refer to the catalog and instruction manual.
| Item | Specification | ||||||||
|---|---|---|---|---|---|---|---|---|---|
| Module code | J | A | K | B | L | C | M | D | |
| Slots used | 1 | 1 | 1 | 1 | 1 | 1 | 1 | 1 | |
| Power | 50.16 W | 60 W | 90 W | 102 W | 120 W | 120 W | 122.4 W | 120 W | |
| Voltage / current | 3.3 V 15.2 A |
5 V 12 A |
7.5 V 12 A |
12 V 8.5 A |
15 V 8 A |
24 V 5 A |
36 V 3.4 A |
48 V 2.5 A |
|
| Voltage adjustment range | 2.64 to 3.96 V |
4.0 to 6.0 V |
6.0 to 9.0 V |
9.6 to 14.4 V |
12.0 to 18.0 V |
19.2 to 28.8 V |
28.8 to 43.2 V |
38.4 to 57.6 V |
|
| Overcurrent protection |
Activates at 105% min of rated current, automatic recovery, intermittent overcurrent.
|
||||||||
| Overvoltage protection | 4.2 to 5.6 V |
6.5 to 7.8 V |
9.4 to 11.6 V |
15.0 to 18.6 V |
18.8 to 23.2 V |
30.0 to 37.2 V |
45.0 to 55.8 V |
60.0 to 74.4 V |
|
| Built-in functions |
Remote control (RC), output alarm (LV),
Operation indicator: blue LED. |
||||||||
| Item | Specification | |||||||||||||
|---|---|---|---|---|---|---|---|---|---|---|---|---|---|---|
| Module code | E4 | E | S | F4 | F | T | G4 | G | U | H4 | H | V4 | V | V5 |
| Slots used | 1 | 1 | 1 | 1 | 1 | 1 | 1 | 1 | 1 | 1 | 1 | 1 | 1 | 1 |
| Power | 105.6 W | 160 W | 180 W | 150 W | 240 W | 240 W | 150 W (peak 225 W) |
240 W (peak 360 W) |
241.2 W (peak 360 W) |
180 W (peak 270 W) |
240 W (peak 360 W) |
195 W | 225 W | 225 W |
| Voltage / current | 3.3 V 32 A |
5 V 32 A |
7.5 V 24 A |
7.5 V 20 A |
12 V 20 A |
15 V 16 A |
15 V 10 A (peak 15 A) |
24 V 10 A (peak 15 A) |
36 V 6.7 A (peak 10 A) |
36 V 5 A (peak 7.5 A) |
48 V 5 A (peak 7.5 A) |
65 V 3 A |
75 V 3 A |
100 V 2.25 A |
| Voltage adjustment range | 3.0 to 6.0 V |
3.0 to 6.0 V |
4.5 to 9.0 V |
7.2 to 14.4 V |
7.2 to 14.4 V |
9.0 to 18.0 V |
14.4 to 28.8 V |
14.4 to 28.8 V |
21.6 to 43.2 V |
28.8 to 57.6 V |
28.8 to 57.6 V |
57.6 to 105.0 V |
57.6 to 105.0 V |
57.6 to 105.0 V |
| Overcurrent protection |
Activates at 105% min of rated current (101% min of peak current for peak-rated models), automatic recovery, intermittent overcurrent.
|
|||||||||||||
| Overvoltage protection | Vo + 1.0 to 1.5 V |
Vo + 1.0 to 1.5 V |
Vo + 1.0 to 1.7 V |
Vo + 1.2 to 2.4 V |
Vo + 1.2 to 2.4 V |
Vo + 1.5 to 3.0 V |
Vo + 2.4 to 4.8 V |
Vo + 2.4 to 4.8 V |
Vo + 3.6 to 7.2 V |
Vo + 4.8 to 7.2 V |
Vo + 4.8 to 7.2 V |
Vo + 7.5 to 11.3 V |
Vo + 7.5 to 11.3 V |
Vo + 7.5 to 11.3 V |
| Built-in functions |
Remote control (RC), output alarm (LV),
Remote sensing (+S/-S), External output voltage adjustment (VTRM), external constant-current adjustment (ITRM), Operation indicator: blue LED. |
|||||||||||||
| Item | Specification | |
|---|---|---|
| Module code | R | |
| Slots used | 1 | |
| Power | 72 W | 72 W |
| Voltage / current | V1 | V2 |
| 24 V 3 A | 24 V 3 A | |
| Voltage adjustment range | 5.0 to 25.2 V | 5.0 to 25.2 V |
| Overcurrent protection |
Activates at 105% min of rated current, automatic recovery.
|
|
| Overvoltage protection | 30.0 to 37.2 V | 30.0 to 37.2 V |
| Built-in functions |
Remote control (RC), output alarm (LV),
Operation indicator: blue LED. |
|