FETAseries

• High power density (2.09W/cm3 FETA3000BA-48 )
• Low profile (41mm, 1.61 inch = meet to 1U height)
• Harmonic attenuator (Complies with IEC61000-3-2 classA)
• Complies with SEMI F47
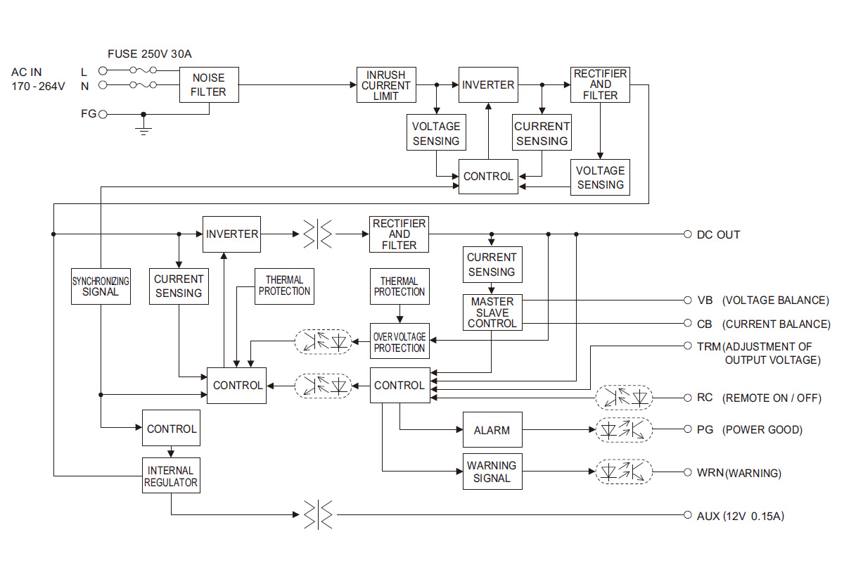
• Parallel Operation/Parallel Redundancy Operation
• Alarm signals, Remote ON/OFF and other functions
Free warranty period 3-year (Refer to Instruction Manuals)
High-output voltage power supply with a 1U height.
The FETA2500/7000 series offers adjustable output voltage down to approximately 0V, providing stable power tailored to the requirements of high-frequency amplifiers, servo drive applications and etc.
The FETA3000BC further accelerates variable voltage response, contributing to enhanced equipment performance.
Harness
| Type | Model number | Description | DXF | |
|---|---|---|---|---|
| Harness | ||||
| H-PA-12 | Harness for parallel operation. | PDF download | - | |
| H-PA-13 | Harness for parallel operation and using all other functions of CN1 and CN2. | PDF download | - | |
| H-SN-47 | Harness for using all functions of CN1 and CN2 (Single side housing). | PDF download | - | |
| H-SN-55 | Harness for using all functions of CN1 and CN2 (Both side housing). | PDF download | - |
*Some documents may not be listed. Please contact us for more details.
| CAD data | DXF |
Standard model
|
|---|---|---|
| 3D CAD data | STEP |
Standard model
|
| IGES |
Standard model
|

Single phase 250VAC 20A
General purpose
High-attenuation type from 150kHz to 1MHz
1-stage filter
FET(1) A(2) 3000(3) B(4) A(5) - □□(6)
(1) Series name* For further information and how to use, please see in Cosel product catalog.