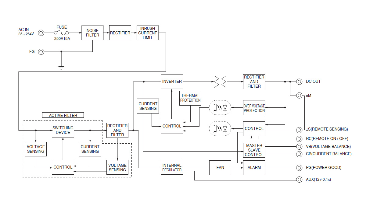
PBAseries

Rated Input: AC85 - 264V 1Φ
Rated Output Wattage: 600W
Rated Output Voltage: 3.3V,5V,7.5V,12V,15V,24V,36V,48V
• Harmonic attenuator (Complies with IEC61000-3-2): except PBA1500T
• Universal input (AC85 - 264V): PBA1500T AC170-264V 3Φ
• Complies with the SEMIF47 standard(Refer to instruction manual)
• Wide product lineup ranging from 10 W to 1500 W
Free warranty period 5-year (Refer to Instruction Manuals)
<p>Harness, Terminal Attachment, Fan unit</p>
| Type | Model number | Description | DXF | |
|---|---|---|---|---|
| Fan unit | ||||
| FAN-PB6 | Fan unit for PBA600F. (Standard model) |
PDF download | - | |
| FAN-PB6-F1 | Fan unit for PBA600F. (F1 option : Long life fan) |
PDF download | - | |
| FAN-PB6-F3 | Fan unit for PBA600F. (F3 option : Reversed air flow ) |
PDF download | - | |
| FAN-PB6-F4 | Fan unit for PBA600F. (F4 option : Lower speed fan) |
PDF download | - | |
| Harness | ||||
| H-PA-3 | Harness for parallel operation. | PDF download | - | |
| H-SN-20 | Harness for using all functions of CN1 and CN2. | PDF download | - | |
| H-SN-21 | Harness for using all functions except remote sensing of CN2. | PDF download | - | |
| H-SN-22 | Harness for using all functions of CN3. | PDF download | - | |
| H-SN-24 | Harness for using example remote ON/OFF circuit C. | PDF download | - |
*Some documents may not be listed. Please contact us for more details.
| CAD data | DXF |
Standard model
|
|---|---|---|
| 3D CAD data | STEP |
Standard model
|
| IGES |
Standard model
|

Single phase 250VAC 16A
General purpose
High-attenuation type from 150kHz to 1MHz
1-stage filter


Rated Input: 85 - 264VAC 1Φ
Rated Output Wattage: 600W
Rated Output Voltage:5V,12V,15V,24V,32V,48V

Rated Input: 85 - 264VAC 1Φ
Rated Output Wattage: 300W
Rated Output Voltage: 12V, 15V, 24V, 36V, 48V
PB(1) A(2) 600(3) F(4) - 5(5) - □(6)
(1) Series name
(2) Single output
(3) Output wattage
(4) Universal input
(5) Output voltage
(6) Optional
C: with Coating
G: Low leakage current
U: Operation stop voltage is set at a lower value
F1: With Long-Life fan
F3: Reverse air exhaust type
F4: Low speed fan
Refer to instruction manual 7.1.
* For further information and how to use, please see in Cosel product catalog.