
小型・軽量、高さ1Uサイズの業界最小クラスユニットタイプ電源。
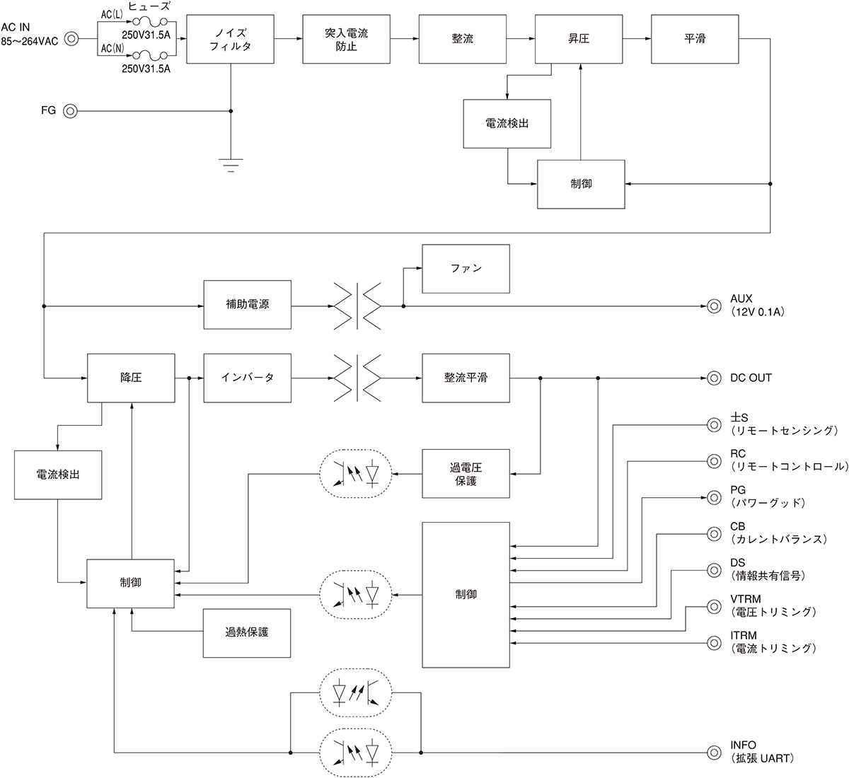
外部通信や定電流制御など豊富な機能を備え、多様な用途に対応します。
通信機能を活用することで、出力電圧の微調整作業の自動化や、入力電圧・電源温度の監視など、新たな価値を提供します。
| 種類 | 型番 | 説明 | DXF | |
|---|---|---|---|---|
| ハーネス | ||||
| H-PA-14 | 直列運転をする場合に使用するハーネスです。 | PDFダウンロード | - | |
| H-PA-15 | 並列/N+1並列冗長運転をする場合に使用するハーネスです。 | PDFダウンロード | - | |
| H-PA-16 | 並列のマスター/スレーブ運転をする場合に使用するハーネスです。 (-P3オプション) |
PDFダウンロード | - | |
| H-SN-48 | CN1、CN2の機能(VTRM、INFO、CB、DSなど)を使う場合に使用するハーネスです。 | PDFダウンロード | - | |
| H-SN-49 | リモートセンシングを除くCN1、CN2の機能(VTRM、INFO、CB、DSなど)を使う場合に使用するハーネスです。 | PDFダウンロード | - | |
| H-SN-50 | CN3の機能(AUX、PG、ITRMなど)を使う場合に使用するハーネスです。 | PDFダウンロード | - | |
| H-SN-51 | 拡張UARTのアドレス設定機能を使う場合に使用するハーネスです。 | PDFダウンロード | - | |
| H-SN-52 | リモートコントロール回路接続例(C)を使う場合に使用するハーネスです。 | PDFダウンロード | - | |
| H-SN-53 | マスター・スレーブ運転のスレーブ電源設定に使用するハーネスです。 (-P3オプション) |
PDFダウンロード | - | |
| H-SN-54 | 出力電圧外部可変機能の有効設定に使用するハーネスです。 | PDFダウンロード | - | |
| H-SN-66 | PMBus通信を使う場合に使用(-Iオプション)するハーネスです。 | PDFダウンロード | - | |
| 通信変換ユニット | ||||
| CR-PC-1 | 拡張UART信号とRS232信号を相互に変換するユニットです。 | PDFダウンロード | - | |
| CR-PC-2 | 拡張UART信号とRS485(Modbus-RTU) 信号を相互に変換するユニットです。 |
PDFダウンロード | - |
※掲載していない資料もあります。詳しくはお問い合せください。
| CADデータ | DXF |
標準モデル(バスバータイプ)
|
|---|---|---|
| 3D CADデータ | STEP |
標準モデル(バスバータイプ)
|
| IGES |
標準モデル(バスバータイプ)
|

単相250V 30A 汎用
150kHz-1MHz高減衰 1段フィルタ
PC(1) A(2) 1500(3) F(4) - □(5) - □(6)
(1)シリーズ名
(2)単一出力
(3)定格出力電力
(4)フルレンジ入力
(5)定格出力電圧
(6)オプション
C:コーティング
G:低漏洩電流
I:PMBus通信対応仕様
F2:ファン逆取付対応仕様
P3:マスタースレーブ運転仕様
W1:アラーム仕様
各オプションの詳細は取扱説明項番6.1「オプション説明」をご参照ください。
外形イメージは下記データから確認することができます。
初めにお読みください
標準モデル(バスバータイプ)
※詳細仕様、ご使用方法は、カタログ・取扱説明をご参照ください