
Rated Input: 85 - 264VAC 1Φ
Rated Output Wattage: 600W
Rated Output Voltage:5V,12V,15V,24V,32V,48V
• Low profile (41mm, 1.61inch = meet 1U height)
• For medical electric equipment
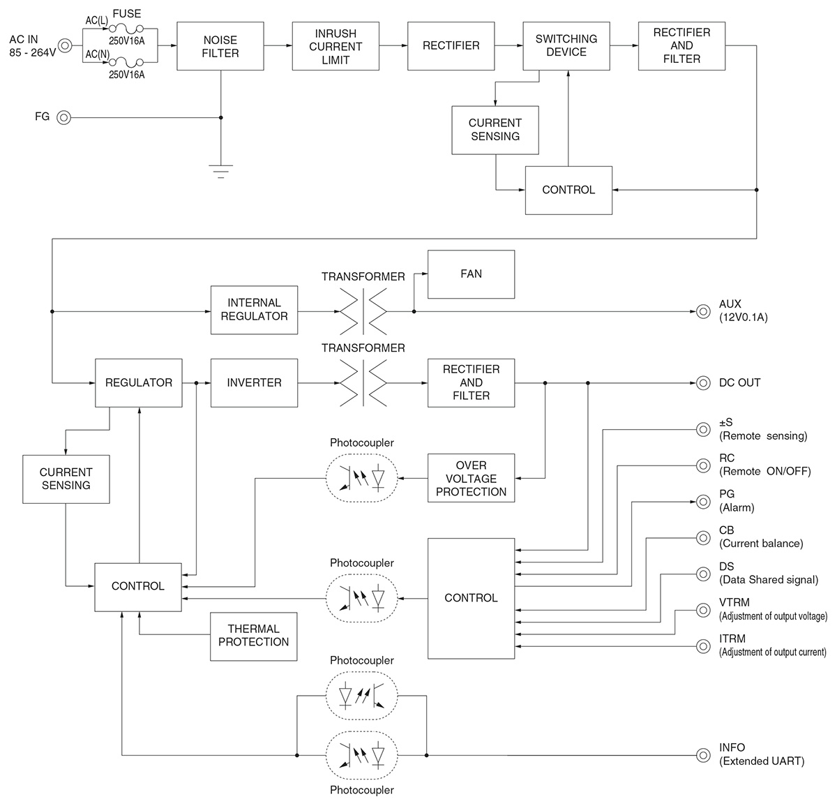
• With AUX output 12V 0.1A (Voltage adjustable range 5 - 12V)
• Constant current function
• With various alarms
• Complies with SEMI F-47(Io:100%max at ACIN 200V, 70%max at ACIN 100V)
• Meets UL508 (Option: -T5)
Free warranty period 5-year (Refer to Instruction Manuals)
Ultra-compact and lightweight, industry-leading Enclosed-type power supply with a 1U height profile.
Equipped with a wide range of features such as external communication and constant-current control, supporting diverse applications.
By leveraging its communication capabilities, it enables automation of output voltage adjustments and monitoring of input voltage and power temperature, delivering new value to your systems.
| Type | Model number | Description | DXF | |
|---|---|---|---|---|
| Harness | ||||
| H-PA-14 | Harness for serial operation and parallel operation. (master-slave operation) | PDF download | - | |
| H-PA-15 | Harness for parallel operation and N+1 parallel redundancy operation. | PDF download | - | |
| H-PA-16 | Harness for master-salve operation of parallel operation (-P3 option) | PDF download | - | |
| H-SN-48 | Harness for using all functions of CN1 and CN2. | PDF download | - | |
| H-SN-49 | Harness for using all functions except remote sensing of CN1 and CN2. | PDF download | - | |
| H-SN-50 | Harness for using all functions of CN3. | PDF download | - | |
| H-SN-51 | Harness for address setting of Extended UART. | PDF download | - | |
| H-SN-52 | Harness for using example remote ON/OFF circuit C. | PDF download | - | |
| H-SN-53 | Harness for setting as slave in master-slave operation. | PDF download | - | |
| H-SN-54 | Harness for enabling the external output voltage adjustment. | PDF download | - | |
| H-SN-66 | Harness for using PMBus communication . (-I option) | PDF download | - | |
| Communication converter | ||||
| CR-PC-1 | This is a unit to convert Extended UART signal to RS232 signal mutually. | PDF download | - | |
| CR-PC-2 | This is a unit to convert Extended UART signal to RS485(Modbus-RTU) signal mutually.
|
PDF download | - |
*Some documents may not be listed. Please contact us for more details.
| CAD data | DXF |
Standard model (Bus bar)
T:Terminal block |
|---|---|---|
| 3D CAD data | STEP |
Standard model (Bus bar)
T:Terminal block |
| IGES |
Standard model (Bus bar)
T:Terminal block |

Single phase 250VAC 16A
General purpose
High-attenuation type from 150kHz to 1MHz
1-stage filter
PC(1) A(2) 600(3) F(4) - □(5) - □(6)
(1) Series name
(2) Single output
(3) Output wattage
(4) Universal input
(5) Output voltage
(6) Optional
C: with Coating
G: Low leakage current
T: Terminal Block Style
(Only 12V,15V,24V,32V and 48V)
I: with PMBus interface
F2: Reverse air exhaust type
P3: Master-slave Operation
W1: Alarm function
T5: UL508
(Only 12V,15V,24V,32V and 48V)
For option details, refer to instruction manual 6.1.
3D product images are available.
Read Me First
Standard model (Bus bar) T: Terminal Block Style (Only 12V,15V,24V,32V and 48V)
* For further information and how to use, please see in Cosel product catalog.